전기기계
전자기력을 사용하는 기계의 총칭으로 전기 모터, 발전기 등과 같이 전자기력을 사용한다. 이는 전기기계식 에너지 변환기를 말한다. 변압기는 '고정 전기기계'라 불린다. 이는 움직이는 부품이 없기 때문에 기계로 보지 않고 전기 기계에 필수적인 전기장치로 본다. 발전기는 기계적 동력을 전기로, 전기 모터는 전기를 기계적 동력으로 변환한다. 기계의 동적 부분을 회전 기계 또는 선형 기계로 분류할 수 있다.
전기 기계는 19세기 중반부터 개발되었다. 그 이후 유비쿼터스 구성 요소가 되어 필수적이다. 보다 효율적인 전기 기계 기술 개발은 에너지 효율화로 지구 보존, 녹색 에너지, 대체 에너지 수립에 매우 중요하다. 교류 발전기와 유도 발전기 형태로 전기기계는 지구상 전력의 약 95%를 생산하며, 전기 모터 형태의 전기 기계는 전체 전력의 60%를 소비하고 있다.
전자기기
전력공학을 이용하는 기기나 기계 의미를 포괄한다. 핵심 부품(변압기, 전동기, 전광, 이차 전지, 제어 장치 등)을 작동하기 위해 전기 에너지(교류 또는 직류 전력)에 의존하여 기능하는 장치이다. 연료나 인간의 체력과 같은 다양한 동력원에 의존하는 전통적 기계 장치와 대조된다. 전자기기는 기계적 힘을 생성하기보다는 데이터 처리에 주로 전력을 사용하는 특수기기이다. 두 유형을 더 잘 구별하기 위해 물리적 작업을 주로 하는 전자기기를 전기기계라 한다. 전자기기와 전기기계의 교차점에 대하여 기전공학에서 강조하여 다룬다.
전기공학은 전기, 전자기기, 개발, 유지 관리, 전원 공급 등을 주제로 다룬다. 가정에서 사용되는 대부분 전자기기는 고정식으로 상당한 전력을 소비한다. 이에 따라 소형 발전기, 충전기, 배터리 대신에 전기 콘센트로 전력공급을 하고 있다.
가전제품
가정에서 사용하는 전기기기이다. 가사 작업이 점차 자동화, 기계화되어 가고 있다. 세탁, 밥 짓기, 목욕물 데우기, 물 긷기, 청소, 설거지 등과 같이 가사 노동 중에서 비교적 중노동에 속하는 일들을 기계가 대신해 가고 있다. 또한 적극적으로 풍요로운 가정생활을 하기 위한 식품 보존, 조리, 실내 공기조절, 조명 등에 새롭고 효율 높은 기기들이 쓰이고 있다. 의류 생활에 관계되는 가정 기계, 기구로는 재봉틀, 전기다리미, 스팀다리미, 전기세탁기 등이 있다. 가정생활을 보다 편리하고 능률 있게 기계를 일상생활에 활용할 수 있다. 이를 통해 가사에 묶여 있던 사람을 시간적, 육체적, 정신적으로 해방할 수 있다.
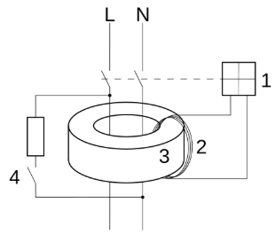
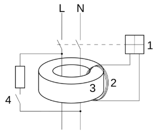
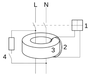
누전 차단기
전류의 균형이 깨지는 상황에서 전류를 차단하는 장치이다. 구체적으로 전력이 흐르는 도선과 중성선 사이의 전류 균형이 깨졌을 때 전류를 차단한다. 보통 인축이 에너지가 있는 도선에 접촉했을 때 전류 균형이 깨지며, 치사량 이상의 전류가 흐를 수도 있다. 이런 여러 상황에서 전류를 차단하며, 과부하나 단락은 별도의 차단기가 감지한다.
누전 차단기는 5~30mA 정도의 누설 전류를 감지하여 감전을 방지한다. 퓨즈나 차단기는 수 A 이상의 큰 전류에서 작동한다. 전기 충격이 심장에 전해져 감전사하지 않도록 25~ 40ms 안에 회로 차단하게 되어 있다. 국가마다 차단 기준이 되는 누설 전류가 달라진다.
큰 전류를 차단하는 차단기와 서로 보완 관계이다. 누전 차단기만으로 과부하나 단락을 막을 수 없기 때문이다. 누전 차단기는 전력선으로 나가는 전류와 중성선으로 들어오는 전류의 차이를 영상변류기로 측정한다. 키르히호프 전류 법칙에 의해서 나가는 전류와 들어오는 전류의 합이 0이 되어야 한다. 이때 0이 되지 않으면 회로 중 일부에서 누전이 되고 있다고 판단하여 누전 차단기가 동작한다.
차단 전류가 500mA 이상인 누전 차단기는 차단 전류가 낮을 때 사고로 발전될 수 있는 데이터센터 같은 곳에 설치된다. 이는 감전보다는 전기 화재 예방용으로 설치한다.

전자기학 근접효과
근접된 두 도체 간에 전류가 흐를 때 전류 방향이 상호 반대 방향이면 접근 측으로 동일 방향이면 접근 반대 측에 전류 밀도가 몰린다. 이때 전류가 흐르는 유효면적이 감소하여 손실이 증가하는 현상이다.
○ 사용 주파수가 높을수록 증가한다.
○ 양 도체 간 간격이 좁을수록 증가한다.
○ 양 도체 간 근접 면적이 클수록 근접효과가 증가한다.
경감 대책
○ 사용 주파수를 낮춘다.
○ 절연 전선을 사용한다.
○ 양 도체 간의 간격을 좁힌다.
○ 양 도체 간의 단면적을 작게 한다.
표피효과
케이블 내에서 교류전류를 이용할 경우 주파수가 증가하면 전류 밀도는 도체의 겉 둘레에 몰리게 되는 현상에서 도체의 유효면적이 감소하여 전력 손실 증가를 표피효과라 한다. 이는 도체의 중심부로 갈수록 교류 전류 밀도가 줄어들고, 도체 외부에 전류가 집중되므로 전선이 굵고, 도전율 및 투자율이 높으며, 주파수가 높을수록 전류의 침투 깊이가 감소한다. 표피 효과를 줄이기 위하여 연선 케이블을 사용하여 전류의 양을 늘리는 방법을 쓴다.
경감 대책
○ 사용 주파수를 낮춘다.
○ 절연 전선을 사용한다.
○ 다층 연도체를 사용한다.
와전류
맴돌이 전류로도 불린다. 도체에 걸린 자기장이 시간상으로 변화할 때 전자기 유도에 의해 도체에 생기는 소용돌이 형태의 전류이다.
와전류 브레이크
맴돌이 브레이크라고도 한다. 와전류의 작용으로 상대운동을 정지시키려는 방향으로 힘이 생기는 것을 이용한다. 자속과 도체의 상대 운동으로 자기장과 와전류의 작용을 이용한다.
이를 전기철도 차량에 응용하려고 하였다. 와전류 브레이크는 기존 바퀴와 레일 사이의 마찰력을 이용하는 점착 브레이크와 다르게 바퀴의 전자석과 레일 사이에 제동력이 작용하는 비점착 브레이크이다. 브레이크의 힘을 크게 잡아도 바퀴가 미끄러지지 않는다.
적산전력계도 이를 이용한다. 전력에 비례하여 도는 구동 돌림힘과 속도에 비례하는 제동 돌림힘의 균형으로 전력에 비례하는 회전속도를 얻는다. 이 제동에 와전류 브레이크를 사용한다. 또한 와전류 브레이크는 레코드 플레이어의 속도 조절에 사용하기도 한다.
'전기전력공학' 카테고리의 다른 글
| 전자기학에 대하여 알아보자 (0) | 2025.05.13 |
|---|---|
| 감전과 정전기에 대하여 알아보자. (0) | 2025.05.12 |
| 도체, 전기전도체에 대해 알아보자. (0) | 2025.05.08 |
| 전기철도에서 절연 구간에 대하여 알아보자 (6) | 2025.05.08 |
| 송전과 전력선 통신에 대해 알아보자 (1) | 2025.05.02 |