전력은 전기에너지가 일을 할 수 있는 능력을 말한다. 정의는 단위 시간당 전류 또는 단위 시간당 변환된 전기 에너지에 의해 수행되는 일의 양, 전달되는 양이다. 전기설비의 전기에너지를 얼마나 빨리 소비하는지를 나타내는 물리량인 전력 소비 능력, 발전설비의 발전 용량, 송·변전 설비의 송전능력 등을 표현하는 데 사용할 수 있다. 전력은 P로 표시되고, 전력의 단위는 와트(Watt)이며 W로 표시된다.

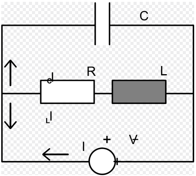
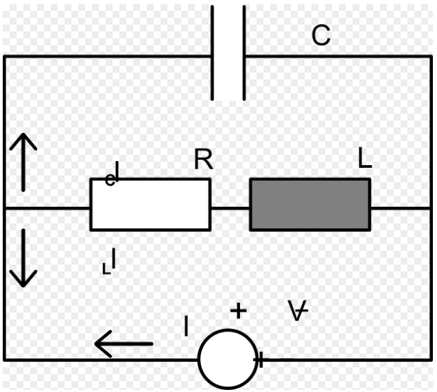
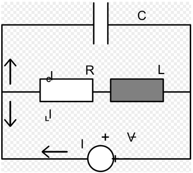
전기 회로에서 전력은 전류와 전기저항 사이의 관계에 의해 정의된다. 그림과 같은 단순한 전기 회로에서 전기저항 R은 전류를 소비하면서 열을 발생시킨다.

제임스 프레스콜 줄(영국의 물리학자)
1840년 영국의 물리학자 제임스 프레스콜 줄은 전기 회로에서 저항에 의해 발생하는 열량이 다음과 같은 관계를 이룬다는 것을 발견하였다. 이를 줄의 법칙이라고 한다.
Q=I^2Rt
(Q: 열량[J], I: 전류의 세기[A], R: 도체의 전기저항[Ω], t: 전류가 흐르는 시간[s])
전력은 전기 회로 전체가 소비하는 단위 시간당 줄열 발생량이라 할 수 있다. 전기 회로의 저항에서 열이 발생하는 까닭은 저항을 통과하는 전자들이 저항 내의 원자들과 충돌하면서 전기적 위치 에너지를 잃기 때문이다. 전자들이 잃은 에너지는 저항 내에 있는 원자들의 진동 에너지로 전환된다. 그 결과 열이 발생한다. 이렇게 발생하는 열을 줄열이라고 하고 그러한 변환을 I^2R 줄열 손실이라고 한다.
전압은 전류와 저항의 곱으로 나타낼 수 있으므로 위 식은 아래와 같이 간단히 할 수 있다.
P=VI
P: 전력, V: 전압, I: 전류
따라서 전력은 전압과 전류의 곱으로 나타낼 수 있다.
주기적으로 전류의 방향이 바뀌는 전류를 교류라고 한다. 일정한 방향으로 계속하여 흐르는 전류를 직류라고 한다. 전기 회로에서 저항으로 작용하는 구성 요소인 전기 부하는 직류와 교류에서 서로 다르게 작용하기 때문에 전력 역시 직류 전력과 교류 전력의 계산 방식이 다르다. 교류 전력의 경우 파동의 성질을 지니기 때문에 위상에 따른 성질을 지닌다.
직류 전력
직류 전력의 계산은 전력의 정의처럼 기전력을 일으키는 전압과 전류의 양으로 간단히 계산할 수 있다. 예를 들어 어떤 전기 회로에 1.5V의 전압으로 300mA의 전류가 흐른다면 전력은 0.45 W가 된다. 전기 회로에 여러 전기 부하가 직렬 또는 병렬로 연결되면 전체 전력은 각 부분 부하가 소비하는 전력의 합과 같다.

교류 전력
일반적인 교류는 사인파의 형태이다. 교류의 경우엔 계산이 훨씬 복잡해진다. 교류는 패러데이 전자기 유도 법칙에 따라 생성되어 일정한 주기를 갖고 방향을 바꾸는 파동 에너지이다. 발전원에 따라 다양한 파형이 있을 수 있다. 안정적인 에너지원으로 쓰이기 위해 일반적으로 사용되는 전원은 사인파의 형태를 띤다. 교류의 주기는 보통 50Hz 또는 60Hz가 쓰인다. 대한민국의 경우 60Hz이다. 교류의 전압과 전류는 순간 전압, 전류, 최대 전압, 전류, 위상, 전압, 전류의 순간 변위를 포함하여야 하므로 삼각함수를 사용하여 나타낸다.
전기 회로 이론에서는 조화 함수를 사용하여 제곱평균제곱근의 양으로 전압과 전류의 실횻값을 계산하고 이를 통해 유효 전력을 나타낸다. 일반적인 공급 전원은 동상이므로 전압과 전류의 위상과 순간 변위는 같다고 하여 계산할 수 있다. 교류 전력식 P(t)는 일정한 주기를 갖는 주기 함수이다. 교류 전력은 일정한 주기를 갖기 때문에 주기를 단위로 하여 합하면 상쇄되어 0이 된다. 그러나 매 시각의 전력은 0이 아니기 때문에 실제 줄열을 발생시키는 유효 전력을 계산할 필요가 있다.
전류가 각각의 부하를 통과할 때 줄열을 발생시키는 유효 전력은 저항 성분에서만 발생하고 유도자나 축전기에서는 발생하지 않는다. 교류 전력을 사용하는 전기 회로에서 부하를 통과하는 전류는 부하의 특성에 따라 전압과 전류의 위상 차이가 생기게 된다. 이 때문에 교류 전기 회로의 전력은 전기저항(Resistance), 유도 용량(Inductance), 정전용량(Capacitance)에 대하여 따로 계산 한다.

P: 유효 전력
Q: 무효 전력
S: 복소 전력
φ: 전류에 대한 전압의 위상
교류의 전체 전력은 조화 함수를 이용하여 아래와 같이 나타낸다.
S=P+jQ}
S: 복소전력, P: 유효전력, j: 허수 단위, Q: 무효전력
저항 성분을 통해 발생하는 유효 전력과 달리 무효 전력은 빛이나 열을 발생시키지 않는다. 그 이유는 유도계수나 전기용량에 의해 소모되는 전력으로 저항 성분의 빛, 열 발생이 없다. 그러나 무효 전력도 실제 전력 변화에는 관여한다. 유효 전력은 전체 복소 전력의 절댓값인 피상 전력을 포함하여 계산하게 된다. 교류 전력 삼각형은 복소 전력과 유효 전력, 무효 전력 간의 관계를 나타낸다.
P=|S|cosθ
Q=|S|sinθ
역률 개선
교류 전력에서 실제 부하에 사용되는 전력은 유효 전력이고 무효 전력은 별다른 일을 하지 않는다. 전력을 효율적으로 사용하기 위해서는 유효 전력을 높이고 무효 전력을 낮추어야 한다. 위 식에서 보면 유효 전력과 무효 전력의 위상이 0 이 될 때 cos 0=1, sin 0=0가 되어 유효 전력은 100% 사용하고 무효 전력은 0%로 낮추는 이상적인 상태가 된다. 실제 전기회로에서는 이와 같은 이상적인 상태는 불가능하다. 따라서 cos θ의 값이 1에 가깝게 되도록 노력한다. 이때 cos θ를 역률이라고 하고 이 값을 크게 하려는 활동을 역률 개선이라고 한다.
'전기전력공학' 카테고리의 다른 글
| 우리 삶에 필수적인 유도전동기란 무엇인지 알아보자 (0) | 2025.05.27 | 
|---|---|
| 단상 전력과 삼상전력 그리고 이를 이용하는 전동기에 대해 알아보자. (1) | 2025.05.26 | 
| 양자역학의 확률과 일반적인 확률은 같을까? (슈뢰딩거의 고양이, 이중슬릿 실험) (1) | 2025.05.24 | 
| 코로나 방전, 크룩스관, 진공관에 대해 알아보자 (0) | 2025.05.23 | 
| 자기부상열차에 대해 알아보자 (0) | 2025.05.23 | 
 
                    
                   
                    
                   
                    
                  